Chậu Rửa Lavabo COTTO C0171 Âm Bàn
Giá gốc là: 1.600.000 ₫.1.176.000 ₫Giá hiện tại là: 1.176.000 ₫. 27%
Giao hàng siêu tốc
cam kết chính hãng
Chiết khấu hấp dẫn
Thanh toán đơn giản
Mô tả
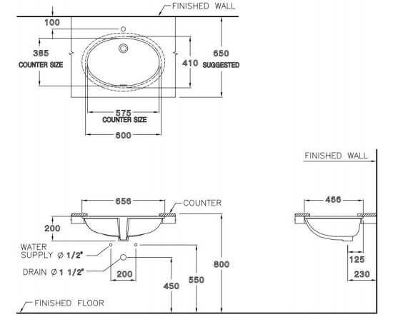
Thông tin chậu rửa mặt Cotto C0171
- Sản phẩm của thương hiêu thiết bị vệ sinh COTTO
- Chậu rửa lavabo COTTO âm bàn C0171 dòng Marlow 65
- Kích thước: 656 x 466 x 200 mm
- Màu sắc: Trắng
- Xuất xứ: Thái Lan
- Không bao gồm vòi, giá đỡ, bộ xả






